產品展示
您現在的位置: 首頁--產品展示
產品描述
H71W型對夾式止回閥適用介質:水、蒸體、油品等
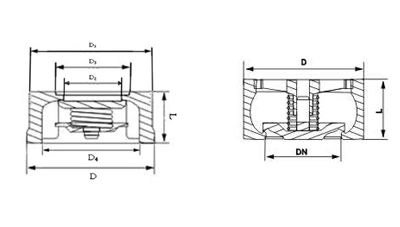
對夾式止回閥由閥體、閥瓣、彈簧等組成,水平或垂直安裝于管路系統,防止介質倒流,具有結構短、體積小、質量輕;閥瓣關閉快速,水錘壓力小;流道通暢,流體阻力小;動作靈敏,密封性能好。
◆ H71W型對夾式止回閥主要技術參數:
型號
公稱壓力PNMPa
試驗壓力PSMPa
工作溫度℃
適用介質
殼體
密封
H71W-16T
1.6
2.4
1.76
≤200
水、蒸體、油品等
H71H-25Q
2.5
3.75
2.75
≤235
H71W-25H
≤300
H71W-25P
≤200
硝酸等腐蝕性介質
H71W-40H
4.0
6.0
4.4
≤300
水、蒸體、油品等
H71W-40P
≤200
硝酸等腐蝕性介質
H71W型對夾式止回閥規格型號
閥體
閥瓣
彈簧
RH71W-25H、RH71W-40H
2Cr13
1Cr13
1Cr18 Ni9Ti
RH71W-16P、RH71W-25P
ZG1Cr18 Ni9Ti
1Cr18 Ni9Ti
1Cr18 Ni9Ti
其他相關產品
|
|
|
| ||||||||