|
H71W型對夾升降式止回閥
止回閥由閥體、閥瓣、彈簧等組成,水平或垂直安裝于管路系統,防止介質倒流,具有結構短、體積小、質量輕;閥
瓣關閉快速,水錘壓力小;流道通暢,流體阻力小;動作靈敏,密封性能好。
|
◆ H71W型對夾升降式止回閥主要技術參數:
| 型號 |
公稱壓力PNMPa |
試驗壓力PSMPa |
工作溫度℃ |
適用介質 |
| 殼體 |
密封 |
| H71W-16P |
1.6 |
2.4 |
1.76 |
≤200 |
水、蒸體、油品等 |
| H71H-25Q |
2.5 |
3.75 |
2.75 |
≤235 |
| H71W-25H |
≤300 |
| H71W-25P |
≤200 |
硝酸等腐蝕性介質 |
| H71W-40H |
4.0 |
6.0 |
4.4 |
≤300 |
水、蒸體、油品等 |
| H71W-40P |
≤200 |
硝酸等腐蝕性介質 | |
| H71W型對夾升降式止回閥規格型號 |
閥體 |
閥瓣 |
彈簧 |
| RH71W-25H、RH71W-40H |
2Cr13 |
1Cr13 |
1Cr18 Ni9Ti |
| RH71W-16P、RH71W-25P |
ZG1Cr18 Ni9Ti |
1Cr18 Ni9Ti |
1Cr18 Ni9Ti | |
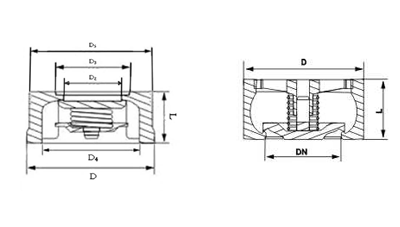
|
公稱壓力 MPa |
公稱通徑 DN |
尺寸(mm) |
| L |
D1 |
D2 |
D3 |
D4 |
D5 |
PN1.0MPa
PN1.6MPa |
15 |
16 |
52 |
15 |
24 |
31 |
40 |
| 20 |
19 |
62 |
19 |
30 |
40 |
50 |
| 25 |
22 |
72 |
24 |
35 |
47 |
58 |
| 32 |
28 |
83 |
31 |
46 |
56 |
68 |
| 40 |
31.5 |
93 |
39 |
55 |
66 |
78 |
| 50 |
40 |
108 |
48 |
65 |
78 |
90 |
| 65 |
46 |
128 |
62 |
80 |
95 |
110 |
| 80 |
50 |
142 |
76 |
96 |
110 |
128 |
| 100 |
60 |
162 |
95 |
115 |
132 |
150 |
| 125 |
90 |
192 |
110 |
125 |
135 | | |