 |
 |
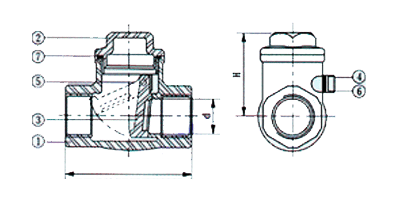
概述 H14W型止回閥的功能是用來防止管路中的介質倒流。止回閥屬于自動閥類,啟閉件靠流動介質的力量自行開啟或關閉。止回閥只用于介質單向流動的管路上,阻止介質回流,以防發生事故。 旋啟式止回閥適用介質為:水、油品、蒸汽、酸性介質等。 |
H14W型止回閥標準: |
設計與制造 |
結構長度 |
壓力-溫度等級 |
連接法蘭 |
試驗與檢驗 |
GB12236 |
GB12221 |
GB9131 JB/T74 HG20604 |
JB/T74-94 GB9113 HG20592-20635 |
JB/T9092-1999 GB13927 | | |
H14W型止回閥壓力試驗: |
稱壓力 PNMPa |
試驗壓力MPa |
適用溫度℃ |
適用介質 |
強度試驗 |
密封試驗 |
WCB |
Cr5Mo |
1Cr18Ni12Mo2Ti |
1Cr18Ni9Ti |
1.6 |
2.4 |
1.8 |
≤425 |
≤550 |
≤220 |
≤200 |
水、油品、蒸汽、酸性介質 |
2.5 |
3.8 |
2.8 |
4.0 |
6.0 |
4.4 |
6.4 |
9.6 |
7.1 |
10.0 |
15.0 |
11.0 |
- |
16.0 |
24.0 |
17.6 |
25.0 |
37.5 |
27.5 | | |
H14W型止回閥主要零件材料及性能: |
零件名稱 |
材料編號 |
閥 體 |
WCB |
ZGCr5Mo |
ZG1Cr18Ni9Ti |
ZG1Cr18Ni12Mo2Ti |
閥 蓋 |
WCB |
ZGCr5Mo |
ZG1Cr18Ni9Ti |
ZG1Cr18Ni12Mo2Ti |
閥 瓣 |
WCB |
ZGCr5Mo |
ZG1Cr18Ni9Ti |
ZG1Cr18Ni12Mo2Ti |
搖 桿 |
WCB |
ZGCr5Mo |
ZG1Cr18Ni9Ti |
ZG1Cr18Ni12Mo2Ti |
閥 座 |
25 |
1Cr18Ni9Ti |
1Cr18Ni9Ti |
1Cr18Ni12Mo2Ti |
銷 軸 |
1Cr17Ni2 |
1Cr18Ni9Ti |
1Cr18Ni12Mo2Ti |
密封環、墊片 |
包覆墊 |
1Cr18Ni9Ti |
1Cr18Ni12Mo2Ti | | |