三通銅芯旋塞閥的詳細資料:X44T三通法蘭旋塞閥通過壓緊填料,使塞子和塞體密封面壓緊,密封等級較高,大量用于中、低壓管路。閥體材質有鑄鐵、鑄鋼、不銹鋼、銅等可適應不同管路情況。
|
三通銅芯旋塞閥 X44T-1.0
| 三通銅芯旋塞閥詳細說明 |
|
主要性能規范
|
型號 |
公稱壓力 PN(MPa) |
試驗壓力PS(MPa) |
適用介質 |
工作溫度(℃) |
|
殼體 |
密封 |
|
X44T-1.0 |
1.0 |
1.5 |
1.1 |
水、蒸氣、油品 |
≤100 |
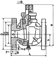
主要尺寸
|
公稱壓力 PN(MPa) |
公稱通徑 DN(mm) |
尺寸(mm) |
|
L |
D |
D1 |
D2 |
z-φd |
□s |
h |
H |
|
1.0 |
25 |
145 |
115 |
85 |
56 |
4╳φ14 |
17 |
38 |
133 |
|
32 |
170 |
135 |
100 |
78 |
4╳φ18 |
18 |
45 |
152 |
|
40 |
180 |
145 |
110 |
85 |
4╳φ18 |
24 |
55 |
212 |
|
50 |
200 |
160 |
125 |
100 |
4╳φ18 |
28 |
74 |
260 |
|
65 |
220 |
180 |
145 |
120 |
4╳φ18 |
32 |
82 |
295 |
|
80 |
250 |
195 |
160 |
135 |
4╳φ18 |
40 |
95 |
327 |
|
100 |
300 |
215 |
180 |
155 |
8╳φ18 |
45 |
135 |
425 |
|
125 |
350 |
245 |
210 |
185 |
8╳φ18 |
54 |
154 |
482 |
|
150 |
400 |
280 |
240 |
210 |
8╳φ23 |
62 |
172 |
512 |
|
200 |
450 |
335 |
295 |
265 |
8╳φ23 |
75 |
195 |
605 |
|
250 |
530 |
390 |
350 |
320 |
8╳φ23 |
85 |
230 |
660 |
|
300 |
580 |
440 |
400 |
368 |
8╳φ23 |
100 |
263 |
760 |
主要材料
|
零件名稱 |
閥體 |
塞子 |
填料壓蓋 |
填料 |
|
X44T-1.0 |
鑄鐵 |
鑄銅 |
鑄鐵 |
油浸石棉盤根 | | |