產品展示
您現在的位置: 首頁--產品展示
產品描述
|
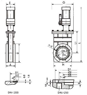
CCQ型-氣動超高真空插板閥: CCQ型氣動超高真空插板閥是通過電磁換向閥改變氣路方向,控制執行氣缸驅動閥板作上下運動,達到閥門的開啟或關閉。閥門用于接通或切斷真空管路中的氣流。適用介質為純凈空氣和非腐蝕性氣體,帶反饋信號裝置。 CCQ型-氣動超高真空插板閥主要技術性能 CCQ型-氣動超高真空插板閥主要零件材料 閥體、閥板:不銹鋼
|
其他相關產品
|
|
CCQ型-氣動超高真空插板閥: CCQ型氣動超高真空插板閥是通過電磁換向閥改變氣路方向,控制執行氣缸驅動閥板作上下運動,達到閥門的開啟或關閉。閥門用于接通或切斷真空管路中的氣流。適用介質為純凈空氣和非腐蝕性氣體,帶反饋信號裝置。 CCQ型-氣動超高真空插板閥主要技術性能 CCQ型-氣動超高真空插板閥主要零件材料 閥體、閥板:不銹鋼
|
|