|
GI型-高真空蝶閥:
GI型高真空蝶閥用于接通或切斷真空管路中的氣流。適用介質為純凈空氣和非腐蝕性氣體。
GI型-高真空蝶閥主要技術性能
| 適用范圍: |
105~1.3×10-4Pa |
| 閥門漏率: |
≤1.3×10-4Pa.L/S. |
| 適用溫度: |
-25~+80℃丁腈橡膠 -30~+150℃氟橡膠 |
| 安裝方向: |
任意 |
GI型-高真空蝶閥主要零件材料 閥體、閥蓋、閥桿:碳鋼或不銹鋼 密封件:丁腈橡膠、氟橡膠。
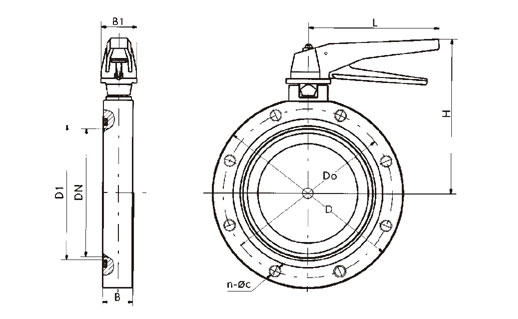
GI型-高真空蝶閥外形及連接尺寸mmJB919
|
|
|
Model 型號 |
DN |
D |
Do |
D1 |
B |
H |
B1 |
L |
n-φc |
|
GI-32 |
32 |
78 |
64 |
36 |
22 |
32 |
36 |
115 |
4-φ7 |
|
GI-40 |
40 |
85 |
70 |
44 |
22 |
40 |
36 |
115 |
4-φ7 |
|
GI-50 |
50 |
110 |
90 |
55 |
22 |
50 |
36 |
115 |
4-φ9 |
|
GI-65 |
65 |
125 |
105 |
70 |
26 |
130 |
38 |
135 |
4-φ9 |
|
GI-80 |
80 |
145 &, lt;, /TD>
|
125 |
85 |
30 |
140 |
38 |
135 |
4-φ9 |
|
GI-100 |
100 |
170 |
145 |
105 |
30 |
153 |
38 |
135 |
4-φ12 |
|
GI-150 |
150 |
220 |
195 |
156 |
35 |
179 |
40 |
165 |
8-φ12 |
|
GI-200 |
200 |
275 |
250 |
208 |
40 |
208 |
40 |
185 |
8-φ12 |
|
GI-250 |
250 |
330 |
300 |
258 |
45 |
234 |
45 |
300 |
8-φ14 |
|
GI-300 |
300 |
380 |
350 |
308 |
55 |
300 |
55 |
350 |
8-φ14 |
|
GI-400 |
400 |
500 |
465 |
408 |
60 |
340 |
60 |
500 |
8-φ18 | | |