產品展示
您現在的位置: 首頁--產品展示
產品描述
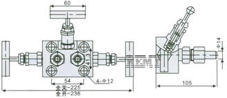
一、SF-2B型一體化三閥組

二、 一體化三閥組技術參數及材質:
|
序號 No. |
公稱壓力 PN |
進口 inlet |
出口 outlet |
適用溫度 Applicable Temperature (℃) |
閥體材料 Body |
|
1 |
32MPa |
Φ14 |
板式 安裝 |
-20~450 |
20# |
|
2 |
-70~240 |
1Cr18Ni9Ti |
三、SF-2B一體化三閥組特點及用途:
SF-2B型一體化三閥組由二只取壓閥與平衡閥組成,可與EJA、115Ⅰ等差變送器直接連接,導通或斷開測量點,進口為Φ14接管,與引壓管焊接。平衡閥斜置,方便操作。
四、SF-2B一體化三閥組適用范圍:
城建、化工、冶金、石油、制藥、食品、飲料、環保
五、SF-2B一體化三閥組訂貨說明:
1、①產品名稱與型號②公稱直徑③產品壓力④產品材質⑤使用介質⑥產品溫度⑦是否帶附件以便我們的為您正確選型。
2、如有特殊要求時請在訂購產品時注明。
3、若已經由設計單位選定的型號,請按型號直接向我司銷售部訂購。
4、當使用的場合非常重要或環境比較復雜時,請您盡量提供設計圖。
其他相關產品
|
|
|
| ||||||||






