|
用于開關控制。能簡單的改變開關速度,除防止水錘外,在吸收式冷凍機開始運轉時,使用暖回路的開關系統和浮動控制器,可以進行壓力控制,閥門打開角度是0-90°。 |
一般用于2方閥控制。根據微機控制將流量特性為直線的定為2L,近似于圓弧的稱為2E,綜合這兩種類型的稱為比例控制。請根據控制系統的特性選擇2L和2E。一般2L大多用于溫度控制和液面控制,2E大多用于壓力控制、流量控制。這些特性在安裝后也可以改變,而且特性可以任意設定。 |
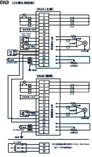
可以進行分流和混合兩方面的比例控制。將直線性特性的閥2臺為1組進行使用,1臺為主閥接收從調節計發出的控制信號,主閥與副閥分別進行相反的動作,分流、混合。象混合3方閥一樣不必選擇配管的場所,以實現占有容積的小型化。 |
為了能在壓力控制比較激烈的控制器中使用,閥板為控制氣穴構造。在發生高差壓的壓力控制、差壓控制和蓄熱槽的落差壓力控制中,對需要防止落水的場合是有效的。 |